陕西金博科技发展有限公司
首 页  企业简介  新闻资讯  产品展示  企业荣誉  资料下载  人才招聘
会员登陆
用户名:
密  码:
新用户注册  忘记密码?
产品列表
集团电话交换机系列
电脑语音查询系统
电视监控产品

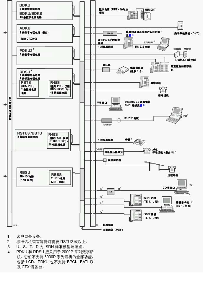
集团电话交换机系列 >> TOSHIBA >> CTX670和CTX100终端侧功能块-功能块图解

                    CTX670和CTX100终端侧功能块-功能块图解

点击数:1576  录入时间:2005-06-03 【打印此页】 【返回
 
 
地址:西安市南关正街101号世家商务304
  029-88576779 87839331 13319278579
   24小时服务热线:029-88576779 13319278579
Copyright 2007. All rights reserved.      陕ICP备06006772号-1